SLM系列交流伺服电机
查看更多
概述
随着科学技术的日新月异,传统电机及传统变频电机的转速已经越来越无法满足一些专用机械设备、特殊行业机械设备的需求,机器业界对电机的转速极限提出了新的课题。本公司以多年来从事专配电机、特殊电机的设计、制造经验,结合国外高速精密电机的优点,专门为机器产业界尽心打造并提供高速专用电机(主轴电机)系列产品。
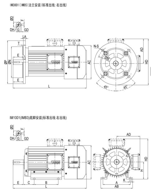
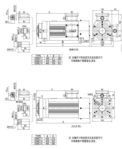
GSH、GSB系列高速电机(主轴电机)体积小型化、美观。采用特殊的精密轴系设计、专用轴承及先进的电磁设计理念。使电机可高速高精度旋转运行,能够直接装夹刀具,实现对工件的告诉精密加工。已广泛用于以下场合。
☆木工机械、塑钢机械、铝材加工机械、石材加工机械等特殊型材件的高速切削、铣削、封边、切边、钻孔、切割等各种方式的加工。
☆粉体机械行业(制药、精细化工、精细矿产等)、食品加工机械行业的高速粉粹、搅拌、均质、混合等方式加工。
★风机行业,高速高压风机;水泵行业,高速高压水泵;纺织行业,高速卷绕头;实验机行业,高速旋转实验台等行业的高速驱动源。
☆机床行业高速主轴,用于高速钻孔、铁削、研磨。
☆可用作高速钻头及其他省去机械增速而直接高速运转的领域。
特点
◆结构紧凑、体型美观
◆运行平稳可靠,精度高
◆机械效率高、振动小
◆转速无级可调
◆省去增速机构,直接驱动
◆可直接装夹刀具













